
A Estavayer-le-Lac, l'eau que l'on boit vient exclusivement du lac de Neuchâtel. Cette eau est très claire par rapport aux autres lacs. En 1925 ils ont placé un premier tuyau à une profondeur de 38 mètres pour que l'eau soit propre et fraîche. En 1956 ils ont rajouté une seconde conduite et ils ont agrandi la station de pompage. Quelques années plus tard, en 1995, une nouvelle station a été construite par dessus l'ancienne.
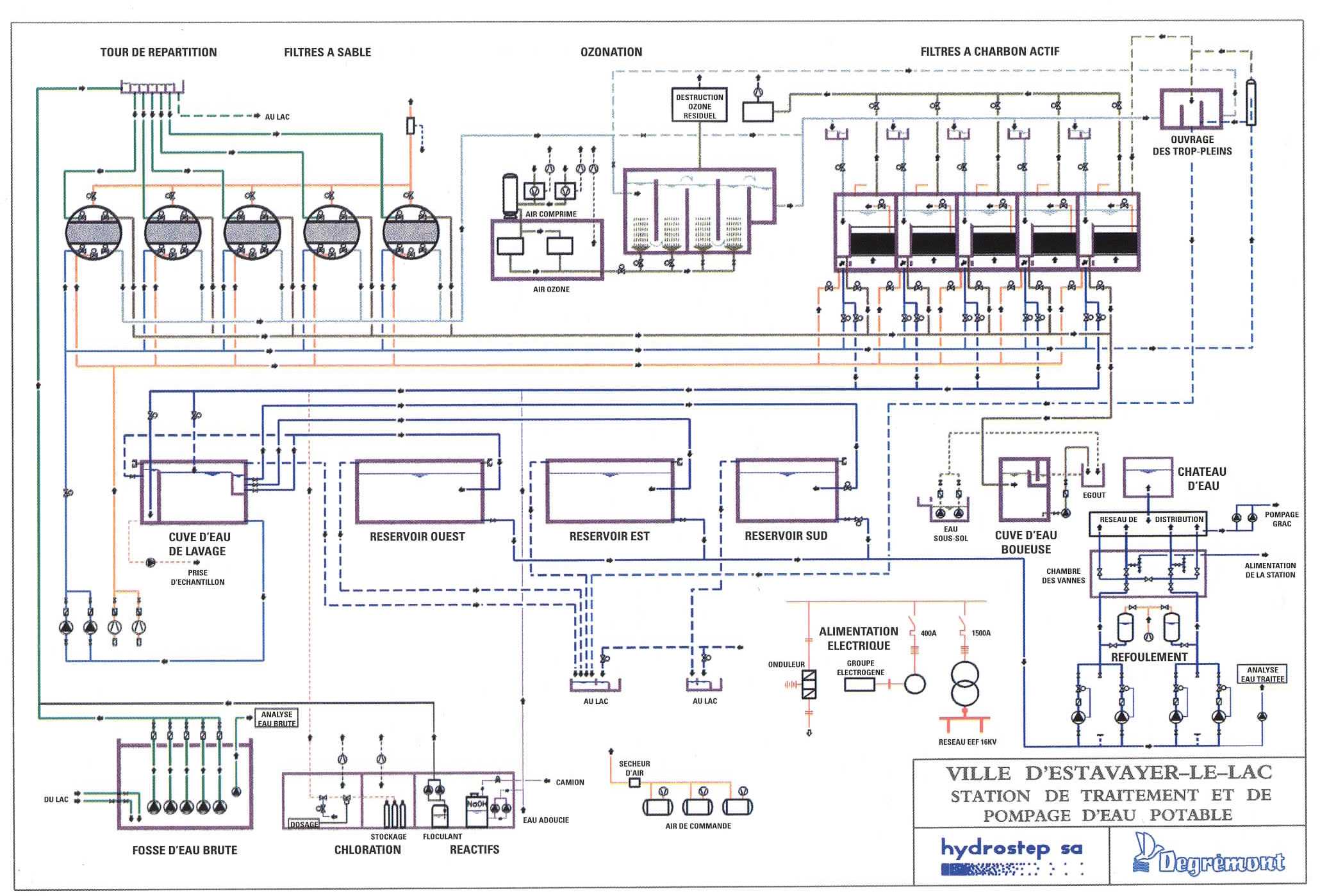
L'eau arrive au sommet de la station, puis elle descend dans les différents lieux où elle est traitée:
1) Elle passe au travers de filtres à sable.

2) Elle subit une ozonation.
3) Elle passe au travers de charbons actifs.
4) Elle est chlorée.
Après ce dernier traitement, elle est envoyée dans le réseau de la ville, jusqu'à nos robinets.
Il n'y a jamais toutes les machines qui fonctionnent en même temps. Comme ça, si une machine tombe en panne, on peu en faire fonctionner une autre. En cas de coupure d'électricité, une génératrice se met en marche automatiquement.
Si vous voulez voir le tableau synoptique qui représente tout le système parcouru par l'eau dans notre station de pompage, cliquez sur le lien.Si vous voulez voir la réponse au questionnaire sur la distribution d'eau dans notre commune, proposé par une classe de Courtedoux, cliquez sur le lien.